William
Terry
Professional Experience
Mechatronics Engineer · Google
Platforms Infrastructure Engineering Robotics (PIER)
Designing and building the next generation of robotic systems for Google's datacenters
Education
B.S. Mechanical Engineering, Minor in Computer Science
University of Illinois at Urbana-Champaign
Awards: Bronze Tablet, Phi Kappa Phi, Tau Beta Pi, Pi Tau Sigma, 8x Dean's List, James Scholar
Zeta Beta Tau Fraternity: Vice President, Rush Chairman, Academic Chairman, Standards Board | Joe's Brewery: Kitchen Manager | Ewoldt Research Group: Volunteer Student Researcher | Illini Motorsports: Drivetrain Subteam
Internship Experience
Hardware Engineering Intern · Google
Datacenter Automation Systems (DAS, now PIER)
- Designed and assembled fixed work-cell environment for testing on a container used for Google's automation
- Created fiducials and wrote 15 FANUC programs for testing
- Created 4 computer vision programs which identify fiducial with 100% success rate; tested 800+ times to identify failure modes
- Cycle-tested work-cell environment 2,000+ times, gathering data on potential wear and tear of components
- Completed ESD testing on container and made recommendations for improvements based on results
Engineering Intern · ProAmpac
Flexible Packaging Solutions
- Designed and 3D printed proof-of-concept prototypes of parts to increase operator safety on lamination machines
- Developed and installed visual management boards to track productivity, safety, cost, maintenance, and quality at slitting, lamination, pouching, and press machines
Mergers and Acquisitions Intern · Kroll (formerly Duff & Phelps)
Investment Banking
- Compiled master list of 2,500+ recent acquisitions to expedite information lookup, removing duplicates and normalizing entries
- Identified discrepancies between current employee information and outdated org chart and made corrections accordingly
- Prepared precedent transaction analysis and comparable company analysis for sell-side clients
Nanotechnology Research Intern · Northwestern University
Mirkin Group
- Created list of 167 potential assay kits for protein spherical nucleic acid model based on analyte, readout, and cell permeability
- Conceptually developed 5 live cell assays for intracellular measurement of butyrate, glycine, malate, lysine, and thiamine
- Received International Institute for Nanotechnology Outstanding High School Researcher Award
Projects
Design for Manufacturability Rube Goldberg Machine · Illinois ME
- Designed a Rube Goldberg machine to navigate a marble through 12 steps of distinct motion (linear, rotary, airborne, etc.) and successfully turn on a lightbulb
- Conducted DOE testing procedures for airborne step to increase accuracy to 100% Watch Demo
Intro to Computer Science Machine Learning Stock Project · Illinois CS
- Utilized Beautiful Soup to parse CNBC article links for title and text, used NLP to assign an index to each article
- Implemented machine learning algorithm to accurately predict stock behavior based on article index
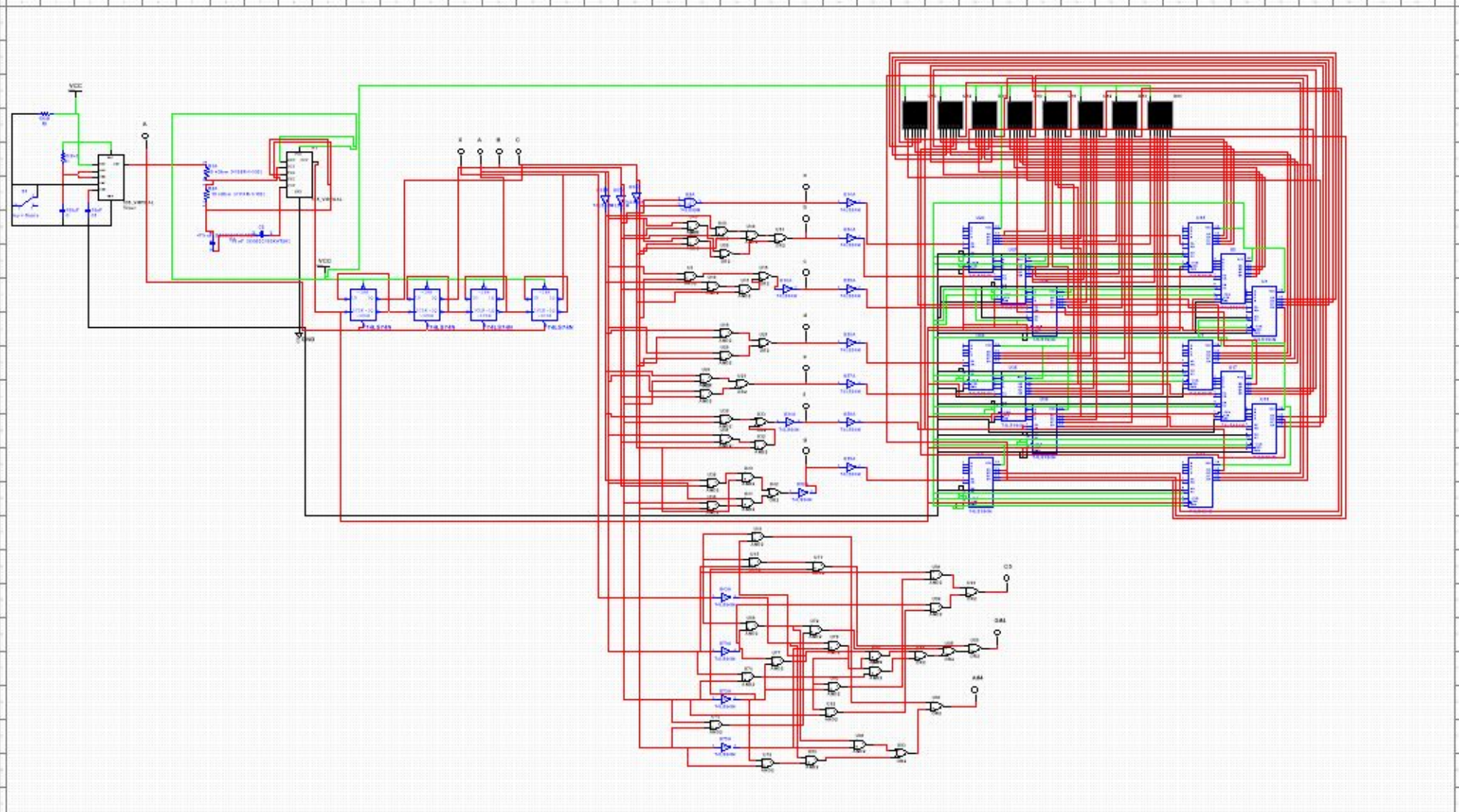
Digital Electronics Singing Sign · Project Lead The Way
- Built a scrolling seven-segment display using logic gates to coordinate LED sequences and audio playback
- Utilized shift registers for sequential data flow and 555-timer oscillators to drive speaker output frequencies
- Validated logic in Multisim before breadboarding the final prototype
Principles of Engineering “Big Project” · Project Lead The Way
Class Leader
The automatic s'mores maker ingested full, unwrapped chocolate bars, graham crackers, and marshmallows. It roasted the marshmallow with a blowtorch, broke the graham crackers in half, and stacked the cracker-chocolate-marshmallow-cracker treat.
- Selected as the sole Sophomore leader out of a mixed class of 22 students (including Juniors & Seniors) to project-manage the semester-long Vex Robotics build
- Organized students into groups; created and assigned subtasks based on areas of expertise
- Facilitated communication and engineering collaboration between groups to ensure project stayed on track
- Led weekly progress meetings and provided technical guidance to teams facing design challenges
- Provided monthly updates to teacher on project progress and challenges
- Coordinated final presentation and demonstration of working prototype to engineering department

